Brak iskry

Dyskusje na temat serwisowania, naprawiania oraz modyfikowania silnikow typu TU.
borek_wpr
Uzalezniony
Posty: 844
Rejestracja: 25 maja czw, 2006 10:01 am
Numer Gadu-gadu: 0
Lokalizacja: Pruszków

Re: Brak iskry

Post autor: borek_wpr »

Jutro postaram się sprawdzić i opisać.
Trzeba isc przez życie twardo, nie żałować wszystkich sił...
luki0166
Nowicjusz
Posty: 30
Rejestracja: 17 cze pt, 2011 12:11 pm
Posiadany PUG: 1.1 89r.
Numer Gadu-gadu: 6051839

Re: Brak iskry

Post autor: luki0166 »

Ok, dziękuję z góry. :)
borek_wpr
Uzalezniony
Posty: 844
Rejestracja: 25 maja czw, 2006 10:01 am
Numer Gadu-gadu: 0
Lokalizacja: Pruszków

Re: Brak iskry

Post autor: borek_wpr »

Widok na osłonę wtyczki modułu
Zdjęcie478.jpg
Widok na aparat zapłonowy z przykręconym modułem oraz cewką WN nad nim
Zdjęcie479.jpg
Mój silnik to TU-9
Niestety nie ma tam czarnego kabla. Od modułu idzie kabel pomarańczowy, jasnoszary i żółtozielony.
Wieczorem popatrzę w schemat i napiszę co gdzie idzie- przynajmniej w moim silniku.
Trzeba isc przez życie twardo, nie żałować wszystkich sił...
luki0166
Nowicjusz
Posty: 30
Rejestracja: 17 cze pt, 2011 12:11 pm
Posiadany PUG: 1.1 89r.
Numer Gadu-gadu: 6051839

Re: Brak iskry

Post autor: luki0166 »

A jakbyś spróbował zdjąć te osłonki i zobaczyć, który kabel wchodzi w które miejsce do cewki? Np. ten w module na samej górze to cewki do pinu po lewej stronie. Taki przykład podałem. I czy piny + i - na cewce masz zewnętrzne czy wewnętrzne dwa?
borek_wpr
Uzalezniony
Posty: 844
Rejestracja: 25 maja czw, 2006 10:01 am
Numer Gadu-gadu: 0
Lokalizacja: Pruszków

Re: Brak iskry

Post autor: borek_wpr »

Wczoraj jak robiłem fotki to nie miałem czym podważyć gumy wtyczki modułu. Guma kręciła się a nie schodziła.Próbowałem podważyć kluczykiem lecz nie ustępowała a mocniej wolałem nie ryzykować. Kluczyk jest kruchy a rozerwać gumę łatwo.Osłonki dostaną trochę mydła w płynie i zejdą.
Aktualnie pada deszcz więc fotki poczekają, ale będą.
Póki co fragment schematu z elementami układu zapłonowego dla TU1, TU3, TU 9
Fragment.JPG
Jeżeli znasz typ swojego silnika to podaj. Będzie łatwiej. Trochę schematów mam.
Coś można wybrać.
Trzeba isc przez życie twardo, nie żałować wszystkich sił...
luki0166
Nowicjusz
Posty: 30
Rejestracja: 17 cze pt, 2011 12:11 pm
Posiadany PUG: 1.1 89r.
Numer Gadu-gadu: 6051839

Re: Brak iskry

Post autor: luki0166 »

Korzystałem z tego, schematu, lecz nie wiem, który kabel z tych dwóch podłączać do cewki, tzn. w jakij kolejności. Ten ostatni od cewki mam odłączony, bo chyba idzie do obrotomierza, którego nie mam. Drugi idzie do plusa po stacyjce, a te dwa właśnie nie wiem, który w jakiej kolejności, jeśli jest różnica.
borek_wpr
Uzalezniony
Posty: 844
Rejestracja: 25 maja czw, 2006 10:01 am
Numer Gadu-gadu: 0
Lokalizacja: Pruszków

Re: Brak iskry

Post autor: borek_wpr »

Pogoda dopisała to i są fotki.
gniazdo cewki.jpg
Wtyczka cewki numery.jpg
wtyczka cewki połączenie.jpg
wtyczka i moduł.jpg
wtyczka mod.jpg
Wtyczka w module.jpg
schemat zapłonu TU.jpg
Kabel wtyczki modułu zapłonowego wydaje się być żółto biały lecz to jest kolor pomarańczowy.
Moduł zapłonowy typ MTR 02 dla silników od 1 do 1,4 litra
Przewód (+) od stacyjki łatwo zlokalizować jakimś woltomierzem prądu stałego.
Wystarczy przekręcić kluczyk w poz 2 bez kręcenia rozrusznikiem.
Jak podłączysz kabelki to we wtyczkę cewki (tor 2 i 3 ) wpiąć małą żarówkę i jak kręcisz rozrusznikiem
musi migać.
Trzeba isc przez życie twardo, nie żałować wszystkich sił...
luki0166
Nowicjusz
Posty: 30
Rejestracja: 17 cze pt, 2011 12:11 pm
Posiadany PUG: 1.1 89r.
Numer Gadu-gadu: 6051839

Re: Brak iskry

Post autor: luki0166 »

Dziękuję bardzo!!! Jesteś wielki! Jak tylko będę miał możliwość to wszystko podłączę i sprawdzę czy działa. 205-tka nie odpalana rok, więc z próbami zapłonu poczekam, aż się trochę ociepli, może w tym tygodniu cos pokombinuję. Dziękuję jeszcze raz. :D

Edit: Słuchaj a nie wiesz, gdzie te dwa kable od cewki ze środkowych pinów wychodzą jeszcze? Oznaczone jest chyba IC50 i M129
borek_wpr
Uzalezniony
Posty: 844
Rejestracja: 25 maja czw, 2006 10:01 am
Numer Gadu-gadu: 0
Lokalizacja: Pruszków

Re: Brak iskry

Post autor: borek_wpr »

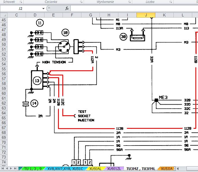
Mała poprawka- chodziło Ci o skrajne kable wtyczki WN.
Schemat francuski
- M129, to kondensator przeciw zakłóceniowy dokładany celem wyeliminowania zakłóceń odbioru fal radiowych.
Podłączony kablem białym o oznaczeniu 2R. Nie mylić z kablem 2A.
- IC 50, kabel o nr 112C to gniazdo testowe wtrysku.Tak to chyba trzeba tłumaczyć. Można go też wykorzystać do innych zastosowań np. sygnał dla instalacji LPG.
Poniżej schemat angielski.
Kondensator i złącze.JPG
Może przyda Ci się też tablica bezpieczników.
Pin nr 1 jest zawsze z PRAWEJ strony danego złącza patrząc na tablicę.
Tablica bezpieczników.JPG
I sprawdź cewkę wg wcześniejszego opisu. Teraz już wiadomo gdzie + i -
A jak uda się uruchomić autko to daj znać.
Powodzenia.
Trzeba isc przez życie twardo, nie żałować wszystkich sił...
luki0166
Nowicjusz
Posty: 30
Rejestracja: 17 cze pt, 2011 12:11 pm
Posiadany PUG: 1.1 89r.
Numer Gadu-gadu: 6051839

Re: Brak iskry

Post autor: luki0166 »

Posiadam dwa rodzaje cewek, z pinami +i - skrajnie położonymi i po środku, więc skorzystam chyba z tego pierwszego schematu. Tylko nie wiem czy moduł tutaj ma coś do rzeczy z którego schematu korzystać.
borek_wpr
Uzalezniony
Posty: 844
Rejestracja: 25 maja czw, 2006 10:01 am
Numer Gadu-gadu: 0
Lokalizacja: Pruszków

Re: Brak iskry

Post autor: borek_wpr »

Jak masz taki moduł tj. MTR 02 to nie ma problemu
Moduł MTR 02.jpg
a tu więcej informacji o innym module do naszych 205 silniki 1,6 1,9 litra wraz z opisami pinów,
http://forum.peugeot205.pl/viewtopic.php?f=25&t=23911
Trzeba isc przez życie twardo, nie żałować wszystkich sił...
luki0166
Nowicjusz
Posty: 30
Rejestracja: 17 cze pt, 2011 12:11 pm
Posiadany PUG: 1.1 89r.
Numer Gadu-gadu: 6051839

Re: Brak iskry

Post autor: luki0166 »

Moduł mam identyczny, tylko firmy HÜCO więc chyba będzie dobry. Ten schemat, co wysłałeś drugi, to też z niego korzystałem, jednak nie mogę się połapać na nim jeśli chodzi o moduł to który pin jest który, tzn który górny, dolny itd.
borek_wpr
Uzalezniony
Posty: 844
Rejestracja: 25 maja czw, 2006 10:01 am
Numer Gadu-gadu: 0
Lokalizacja: Pruszków

Re: Brak iskry

Post autor: borek_wpr »

Skoro moduł pasuje to nie ma problemu.Schemat francuski i angielski bo z książki Etzolda a mam wersję papierową trzeba się doczytać przy pomocy lupy. Gdyby na module f-my HÜCO nie było oznakowań to tu przepisane z Magneti Marelli
Znaki.JPG
To powinno pomóc w podłączaniu kabli.
Trzeba isc przez życie twardo, nie żałować wszystkich sił...
luki0166
Nowicjusz
Posty: 30
Rejestracja: 17 cze pt, 2011 12:11 pm
Posiadany PUG: 1.1 89r.
Numer Gadu-gadu: 6051839

Re: Brak iskry

Post autor: luki0166 »

Ok, jak będzie cieplej to będe próbować odpalić, dziękuje jeszcze raz za pomoc. :) Wolę teraz nie odpalać, bo wymiana zaworów i paska nauczyła mnie, żeby w zimie po postoju ponad rok nie odpalać. :D
borek_wpr
Uzalezniony
Posty: 844
Rejestracja: 25 maja czw, 2006 10:01 am
Numer Gadu-gadu: 0
Lokalizacja: Pruszków

Re: Brak iskry

Post autor: borek_wpr »

Więc uzbrajam się w cierpliwość i czekam na info o pomyślnym rozruchu.
Trzeba isc przez życie twardo, nie żałować wszystkich sił...
ODPOWIEDZ