Dekielki do SL434

Tutaj możecie rozmawiać o wszystkim co jest związane z różnego rodzaju przeróbkami auta.
Munne
Peugeot 205 Master
Posty: 2689
Rejestracja: 04 paź pn, 2004 12:33 pm
Numer Gadu-gadu: 10090927
Lokalizacja: Karlstad/Lublin

Re: Dekielki do SL434

Post autor: Munne »

Fotke masz na 3 zdjeciu a po numery to ja sie zawsze do Ciebie zglaszam hehe.
Para pisze:Munne jeszcze numer czesci i zdjecie tych dekielkow od 407 i byloby wsio !
Kazda morda pasuje do Forda!
Awatar użytkownika
Para
Peugeot 205 Master
Posty: 10182
Rejestracja: 30 cze pn, 2003 6:31 pm
Posiadany PUG: najlepszy
Numer Gadu-gadu: 1559591
Lokalizacja: Baile Átha Cliath
Kontakt:

Re: Dekielki do SL434

Post autor: Para »

No i nie jestem pewien co do tych dekielkow bo maja chromowanego lwa z nowych wersji.
Peugeot 205 GTI S16 - Galeria
Peugeot 205 GTI GTI6 2.0 - Galeria
Megane Coupe 1.4
Obrazek
NIE PYTAJ CO KLUB MOŻE ZROBIĆ DLA CIEBIE, TYLKO CO TY MOŻESZ ZROBIĆ DLA KLUBU
Munne
Peugeot 205 Master
Posty: 2689
Rejestracja: 04 paź pn, 2004 12:33 pm
Numer Gadu-gadu: 10090927
Lokalizacja: Karlstad/Lublin

Re: Dekielki do SL434

Post autor: Munne »

No to moj drogi zakladaj te wystajace:)
Kazda morda pasuje do Forda!
Awatar użytkownika
Para
Peugeot 205 Master
Posty: 10182
Rejestracja: 30 cze pn, 2003 6:31 pm
Posiadany PUG: najlepszy
Numer Gadu-gadu: 1559591
Lokalizacja: Baile Átha Cliath
Kontakt:

Re: Dekielki do SL434

Post autor: Para »

A te dekielki od czego ?

Obrazek
Peugeot 205 GTI S16 - Galeria
Peugeot 205 GTI GTI6 2.0 - Galeria
Megane Coupe 1.4
Obrazek
NIE PYTAJ CO KLUB MOŻE ZROBIĆ DLA CIEBIE, TYLKO CO TY MOŻESZ ZROBIĆ DLA KLUBU
Awatar użytkownika
Para
Peugeot 205 Master
Posty: 10182
Rejestracja: 30 cze pn, 2003 6:31 pm
Posiadany PUG: najlepszy
Numer Gadu-gadu: 1559591
Lokalizacja: Baile Átha Cliath
Kontakt:

Re: Dekielki do SL434

Post autor: Para »

Dzieki Munio za cynk, zamowie z Peugeot Sport te oto kapselki

Obrazek

:W
Peugeot 205 GTI S16 - Galeria
Peugeot 205 GTI GTI6 2.0 - Galeria
Megane Coupe 1.4
Obrazek
NIE PYTAJ CO KLUB MOŻE ZROBIĆ DLA CIEBIE, TYLKO CO TY MOŻESZ ZROBIĆ DLA KLUBU
Awatar użytkownika
RafGentry
Moderator
Posty: 6947
Rejestracja: 06 cze śr, 2007 8:40 pm
Posiadany PUG: GTI Griffe, GTI LeMans, GTI, CTI, XRD, XS, Indiana, 405 STDT
Numer Gadu-gadu: 0
Lokalizacja: Kraków
Kontakt:

Re: Dekielki do SL434

Post autor: RafGentry »

Odkopuję temat, bo z ciekawości prześledziłem, jak to z tymi dekielkami obecnie jest.

Takich, jak zamawiał Para nie można już kupić w sklepie Peugeot Sport. Są nieco inne.

Numer referencyjny to: 5421-92, cena 6.79 € za sztukę.
12.jpg
123.jpg
cachepts.jpg
cachepts.jpg (158.23 KiB) Przejrzano 7510 razy
Natomiast srebrne mają numer ref. 5421-89 i kosztują 6.99 €.
2215-379-thickbox.jpg
Niestety wszystkie mają już nowe logo lwa.

Obecnie komplet czterech SL434 (niezależnie od koloru) kosztuje bez dekielków 551.84 €
Z dekielkami 570 €

Aha - jakby komuś były potrzebne nr. ref tych starych dekli, to są to odczytania na woreczkach :)
92669901.jpg
Awatar użytkownika
Manwe
Peugeot 205 Master
Posty: 2013
Rejestracja: 04 wrz pt, 2009 2:48 pm
Posiadany PUG: 205 lacoste'86, 205 gti ph1'87, 309 ph1 3d graffic'89, citroen ax ph1'86, citroen bx ph1'86
Numer Gadu-gadu: 7424729
Lokalizacja: Kraków
Kontakt:

Re: Dekielki do SL434

Post autor: Manwe »

a te szpilki i nakrętki możną by coś więcej o nich :?:
Obrazek
szukam zderzaków z green'a, lacoste'a, białego cj lub open'a
przygarne silnik ET3, gumowy spojler tylnej klapy Peugeot 309 gti, licznik z obrotomierzem z bx'a ph1
Awatar użytkownika
Martinoo
Moderator
Posty: 4031
Rejestracja: 16 lip czw, 2009 3:55 pm
Posiadany PUG: 205 Color line Dturbo, 307 XSI HDI, 407 SW 2.0 HDI
Numer Gadu-gadu: 8330169
Lokalizacja: Gdynia
Kontakt:

Re: Dekielki do SL434

Post autor: Martinoo »

oj przygarnąłbym takie alu
205 1.9 Dturbo -> NIE MA OGNIA BEZ DYMU !!! ;P
307 XSI 2.0 HDI ~140KM
407 SW 2.0 HDI 136KM
P.S Nie drażnij lwa!
Obrazek
Awatar użytkownika
RafGentry
Moderator
Posty: 6947
Rejestracja: 06 cze śr, 2007 8:40 pm
Posiadany PUG: GTI Griffe, GTI LeMans, GTI, CTI, XRD, XS, Indiana, 405 STDT
Numer Gadu-gadu: 0
Lokalizacja: Kraków
Kontakt:

Re: Dekielki do SL434

Post autor: RafGentry »

Marcin, działaj. Nie ma lepszej felgi 15" do 205-tki :)

Manwe - szpilki i nakrętki są opisane na stronie Peugeot Sport. Tutaj nie chciałbym zaśmiecać tematu.

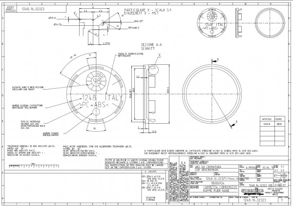
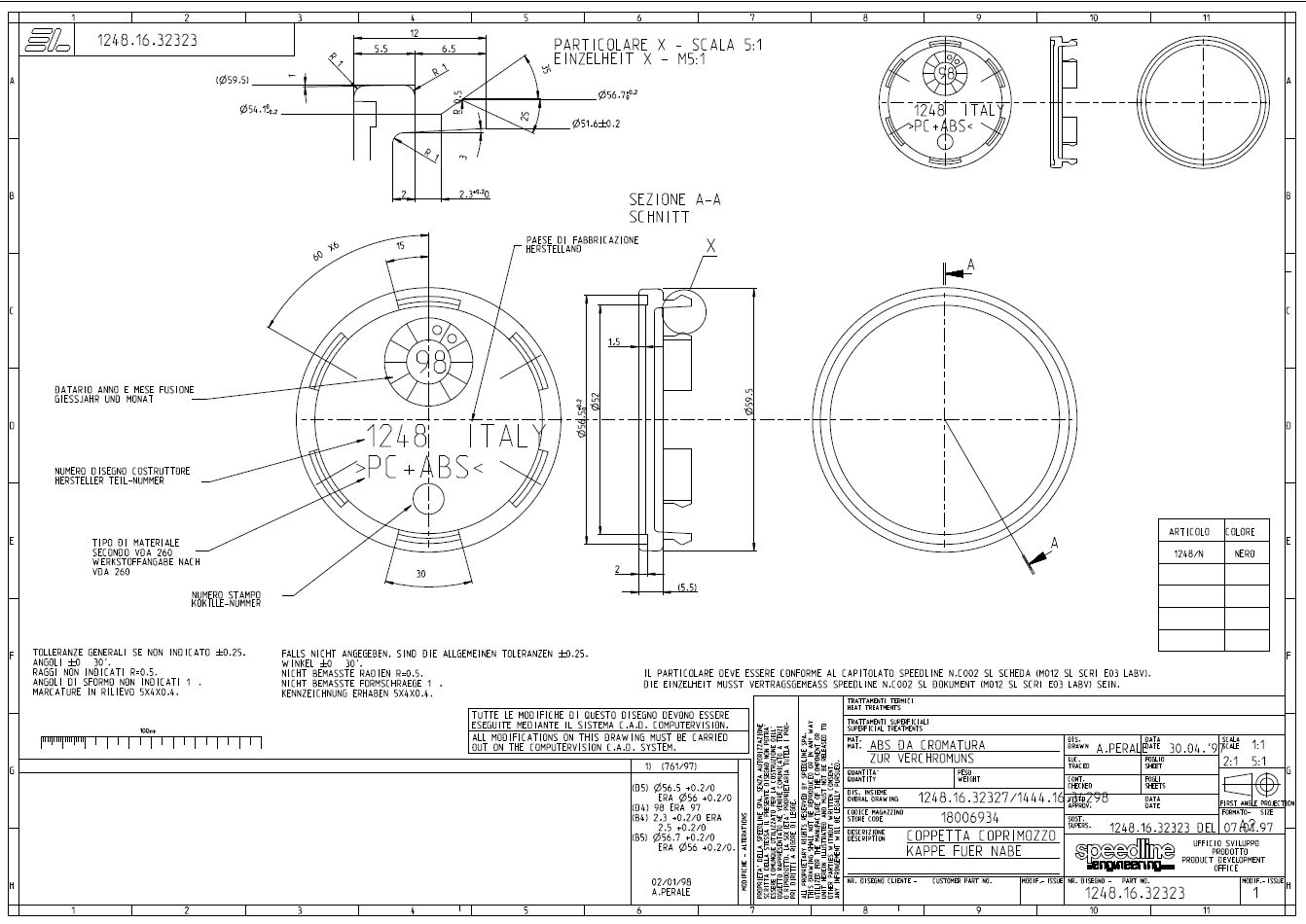
Wkleję jeszcze rysunek techniczny dekielka który Para dostał z centrali Speedline. To rarytas, więc dobrze mieć go na forumowym serwerze. Może komuś się kiedyś przyda.
sl434cabochon.jpg
ODPOWIEDZ