Licznik:)
-
borek_wpr
- Uzalezniony
- Posty: 844
- Rejestracja: 25 maja czw, 2006 10:01 am
- Numer Gadu-gadu: 0
- Lokalizacja: Pruszków
Re: Licznik:)
Odp. dot. czujnika temperatury-termometru typu NTR . To jest OPORNIK o charakterystyce odwrotnej tj. im cieplej tym mniejsza oporność/ patrz Etzold/. Jeżeli zewrzemy przewód termometru z masą to wskazówka powinna wychylić się na maximum.Wniosek- wymontować wskaźnik ,oczyścić z kurzu, sprawdzić czy wskazówka nie ociera o skalę,kroplą oliwy nasmarować czopy ustroju wychyłowego.Podłączyć i powinno być dobrze.
Kabzik !!! jak to zrobiłeś? Ja z rok temu chciałem wkleić swój schemat podłączenia licznika ,to system nie zezwolił na Excela. a tobie się udało. Jak Ci dobrze idzie to dorzuć podłączenie obrotomierza ,zresztą też w Excelu.Pierwsza zakładka -opis w kolorze ciemnozielonym, pozostałe to podłączenia w zależności od typu silnika. Poza tym potwierdzam --dostęp dla każdego .
Grzesiek
Kabzik !!! jak to zrobiłeś? Ja z rok temu chciałem wkleić swój schemat podłączenia licznika ,to system nie zezwolił na Excela. a tobie się udało. Jak Ci dobrze idzie to dorzuć podłączenie obrotomierza ,zresztą też w Excelu.Pierwsza zakładka -opis w kolorze ciemnozielonym, pozostałe to podłączenia w zależności od typu silnika. Poza tym potwierdzam --dostęp dla każdego .
Grzesiek
Trzeba isc przez życie twardo, nie żałować wszystkich sił...
- moralez
- Peugeot 205 Master
- Posty: 4918
- Rejestracja: 30 sie wt, 2005 3:42 pm
- Posiadany PUG: 205......T8, 205 GTI 1.6
- Numer Gadu-gadu: 2955602
- Lokalizacja: Włocławek
- Kontakt:
Re: Licznik:)
spakowal plik excela rarem, pliki rar mozna wrzucacborek_wpr pisze:
Kabzik !!! jak to zrobiłeś? Ja z rok temu chciałem wkleić swój schemat podłączenia licznika ,to system nie zezwolił na Excela. a tobie się udało. Jak Ci dobrze idzie to dorzuć podłączenie obrotomierza ,zresztą też w Excelu.Pierwsza zakładka -opis w kolorze ciemnozielonym, pozostałe to podłączenia w zależności od typu silnika. Poza tym potwierdzam --dostęp dla każdego .
Grzesiek
- kabzik
- Junior
- Posty: 379
- Rejestracja: 04 cze pn, 2007 10:18 am
- Posiadany PUG: 205 GL 1.1, 106 Quiksilver 1.4
- Lokalizacja: Częstochowa
Re: Licznik:)
a to z tym obrotomierzem to nie jest przypadkiem tak że jeśli wskazuje połowe obrotów przy tej cewce (co na dwóch przewodach jest sygnał po połowie) to bierzemy dwa sygnały do obrotka? pod ten pierwszy nie wykorzystywany pin, a drugi pod pin dwa? przecież po coś ten pin musi być- widziałem na allegro licznik od gti i miał kostkę od obrotka z wykorzystanymi czterema pinami! tak sobie domniemam po tym co mi Grzesiek podesłał.. teraz śmiało można powiedzieć następnym że na forum jest wszystko o przekładce!
obrotek.rar
oczywiście wszystkie schematy są Grześka za które serdecznie dziękuje!
obrotek.rar
oczywiście wszystkie schematy są Grześka za które serdecznie dziękuje!
-
bullet666
- Junior
- Posty: 230
- Rejestracja: 03 lis pn, 2008 1:45 am
- Posiadany PUG: na razie szukam gentry....
- Numer Gadu-gadu: 2046824
Re: Licznik:)
tak czytam i czytam i nic nie czaje
czyli co problem z obrotkiem rozwiązany ?? chodzi mi oczywiście o licznik z GTI. no i czy cała reszta tych kontrolek itd będzie działać jak podłącze według tych schematów??a co jeśli mam to ręczne ssanie ?? nie będzie problemu z kontrolką od ssania?? bo waham się nad kupnem licznika od GTI i wpakowaniem go zamiast tej "biednej wersji" 
-
borek_wpr
- Uzalezniony
- Posty: 844
- Rejestracja: 25 maja czw, 2006 10:01 am
- Numer Gadu-gadu: 0
- Lokalizacja: Pruszków
Re: Licznik:)
Porównaj liczniki XS i GTI / PORADNIK/ + opisy kontrolek.
Na ręczne ssanie można by zaadoptować kontrolkę nie wykorzystywaną.
Na ręczne ssanie można by zaadoptować kontrolkę nie wykorzystywaną.
Trzeba isc przez życie twardo, nie żałować wszystkich sił...
- RaveMan
- Junior
- Posty: 242
- Rejestracja: 04 lip ndz, 2004 10:54 pm
- Posiadany PUG: Sacre Numero 1.4, 1995
- Numer Gadu-gadu: 4047375
- Lokalizacja: Rogoźno Wlkp.
- Kontakt:
Re: Licznik:)
kabizk jak możesz to wrzuć ten plik obrotek.rar jeszcze raz bo tam jest napisane że plik został usunięty
Peugeot 205 1,4 kat. Sacre Numero
- RaveMan
- Junior
- Posty: 242
- Rejestracja: 04 lip ndz, 2004 10:54 pm
- Posiadany PUG: Sacre Numero 1.4, 1995
- Numer Gadu-gadu: 4047375
- Lokalizacja: Rogoźno Wlkp.
- Kontakt:
Re: Licznik:)
witam postanowiłem odświeżyć temat, w zamieszczonym opracowaniu na schemacie dla silnika dla TU3M zauważyłem, że kabel nr 112 biegnący z komputera do obrotomierza łączy się z kablem, który biegnie z cewki. Mam pytanie czy jak zepnę kabel 112 z tym na którym na cewce jest sygnał to nie uszkodzę kompa? bo gdy kabel 112 połączę z kompem bezpośrednio to nic nie wskazuje a jak się podepnę bezpośrednio pod cewkę to jakieś ruchy wskazówki widze, mógłbym to sprawdzić ale najpierw chcę się upewnić że kompa nie uwalę
Peugeot 205 1,4 kat. Sacre Numero
- cejot
- Forum Admin
- Posty: 3566
- Rejestracja: 23 kwie pn, 2007 1:37 am
- Posiadany PUG: 205 Automatic, 205 El Charro, 205 ...
- Lokalizacja: Warszawa
Re: Licznik:)
RaveMan, starasz się podłączyć obrotomierz z XS czy z GTI? Domyślam się, że z GTI.
- cejot
- Forum Admin
- Posty: 3566
- Rejestracja: 23 kwie pn, 2007 1:37 am
- Posiadany PUG: 205 Automatic, 205 El Charro, 205 ...
- Lokalizacja: Warszawa
Re: Licznik:)
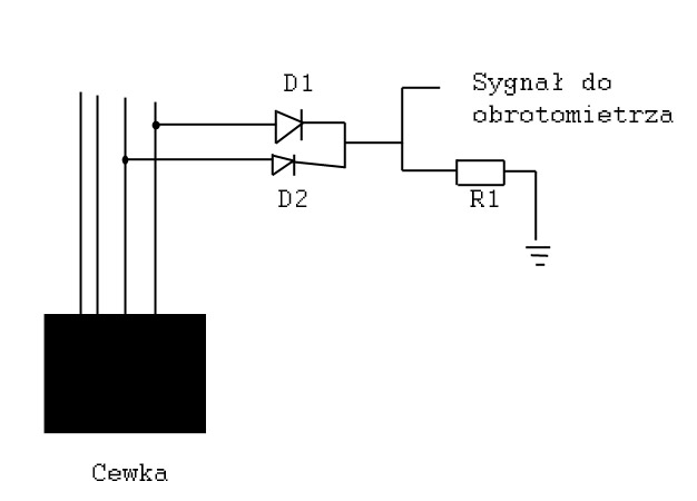
Widok na kable, wychodzące z cewki, stojąc przed autem przodem do silnika.
Przepraszam za kiepski rysunek, ale nie miałem teraz siły zrobić nic porządniejszego. Mimo wszystko mam nadzieję, że jest zrozumiały.
D1, D2 - diody 1N4004
R1 - 22 kOhm 1W
Przepraszam za kiepski rysunek, ale nie miałem teraz siły zrobić nic porządniejszego. Mimo wszystko mam nadzieję, że jest zrozumiały.
D1, D2 - diody 1N4004
R1 - 22 kOhm 1W
- RaveMan
- Junior
- Posty: 242
- Rejestracja: 04 lip ndz, 2004 10:54 pm
- Posiadany PUG: Sacre Numero 1.4, 1995
- Numer Gadu-gadu: 4047375
- Lokalizacja: Rogoźno Wlkp.
- Kontakt:
Re: Licznik:)
rozumiem, że należy sobie wykonać taki układzik i wsio bedzie działało? a czy to jest przetestowane czy mam być królikiem doświadczalnym?:)
Peugeot 205 1,4 kat. Sacre Numero
- cejot
- Forum Admin
- Posty: 3566
- Rejestracja: 23 kwie pn, 2007 1:37 am
- Posiadany PUG: 205 Automatic, 205 El Charro, 205 ...
- Lokalizacja: Warszawa
Re: Licznik:)
Królikiem doświadczalnym był Dervozavilus. 
Jeśli nie będzie działało to pomyślę dalej.
Jeśli nie będzie działało to pomyślę dalej.
- cejot
- Forum Admin
- Posty: 3566
- Rejestracja: 23 kwie pn, 2007 1:37 am
- Posiadany PUG: 205 Automatic, 205 El Charro, 205 ...
- Lokalizacja: Warszawa
Re: Licznik:)
Z tego co wiem cały czas działa i na co dzień może podziwiać zegary GTI w swoim Look'u. 