Zawsze podobały mi się samochody nietuzinkowe. Długo zastanawiałem się nad wyborem aż pewnego dnia w internecie zauważyłem to cudo w Kielcach z takowym opisem:
PEUGEOT 205 GTi
1.6 phase I
rok produkcji: 1986
moc: 76 kW (103 KM)
kolor:Gray Graphite (ciemno szary)
YOUNGTIMER!!!!!
Auto w stanie perfekcyjnym z przebiegiem od nowości 235000 km, bez jakichkolwiek modyfikacji optycznych i z niewielkimi mechanicznymi. Auto absolutnie bezwypadkowe co wielokrotnie sprawdzano (pomiary). Wyposażone jest w:
- elektryczne szyby,
- centralny zamek,
- panoramiczny odsuwany szklany dach,
- sportowy układ wydechowy,
- skórzaną tapicerkę.
- felgi aluminiowe speedline 14"
- radioodtwarzacz JVC,
- uchylane tylne szyby.
Auto kupione przeze mnie od pasjonata marki, który kiedy go posiadał wymienił (bądź zrobił) w nim:
- wymienił progi i elementy pomiędzy drzwiami a tylnym kołem (zatkały się kanały odprowadzające wodę i ruda zjadła jak mówił),
- polakierował auto,
- amortyzatory,
- półosie,
- płyn w układzie chłodzenia,
- wahacze zawieszenia wraz z gumami,
- rozrząd (ma obecnie 3 tyś km),
- zaspawał przerdzewiałe miejsca pod nogami pasażerów z tyłu,
- plastiki poszycia szyberdachu na zewnątrz (stare poklejone były na silikon),
- węże odpowietrzenia silnika
- nowe tarcze i klocki hamulcowe,
- nowe cylinderki hamulcowe z tyłu,
- nowy płyn hamulcowy,
- nowe świece,
- wymienione cięgna mechanizmu zmiany biegów,
- zrobiony wydech (stary był przerdzewiały gdzie tylko mógł)
- założył oryginalny centralny zamek,
- zamontował oryginalne elektryczne szyby,
- dołożył dodatkowy wentylator włączany niezależnie,
- dołożył wymiennik ciepła : woda-olej z 1,9 GTI,
- wymył oryginalny filtr powietrza i nasączony oryginalnym olejkiem K&N,
- nowe końcówki układu kierowniczego,
- nowy krzyżak układu kierowniczego,
- założył dłuższą 5-tka (przełożenie w skrzyni biegów) od diesel-a (oryginał pozostawił mi),
- oryginalne felgi 14 speedline zostały wypiaskowane i pomalowane oraz kupił opony letnie w rozmiarze 185/60/14.
Auto nigdy nie jeżdżone zimą. Jak twierdził od dwóch lat autem wyjechał może ze 2 razy a resztę czasu spędziło w suchym garażu.
W aucie z racji tego, że tapicerka siedzeń uległa zniszczeniu (siedzenia oryginalne są w oczekiwaniu na renowację) zostały założone z przodu fotele z bardzo rzadkiej wersji limitowanej MIAMI BLUE z naturalnej skóry w idealnym stanie. Samochód absolutnie bez jakiejkolwiek korozji. Auto bardzo kultowe. Na niemieckim portalu sprzedażowym w stałej ofercie nie więcej niż 25 sztuk w Europie, w tym PHASE I dosłownie parę sztuk. Ceny zaczynają się od 2000 EURO za auto do inwestycji. Miesięcznik CLASSIC AUTO ocenił, iż wartość samochodu w stanie nadającym się do czegokolwiek to co najmniej 5000 PLN. Prowadzący angielski program TOP GEAR uznali auto za jeden z najlepszych hot hatch'ów w historii. Rzesza fanów na całym świecie powoduje iż wartość auta będzie tylko wzrastać.
Sprzedawane auto posiada dokumentację historyczną: książkę serwisową, instrukcję obsługi oraz sieć serwisów Peugeota w tym okresie w Europie!!!!!!!!!!!!!!!!!!!
Ja od czasu zakupu wymieniłem w aucie:
- ostatni dostępny w autoryzowanym serwisie w Kielcach historyczny oryginalny znaczek w atrapę PEUGEOT,
- pompę hamulcową,
- cylinderki i prowadnice przednich hamulców,
- olej w silniku Millers 20W60
- filtr oleju Purflux,
- olej w skrzyni biegów (Total 75W80),
Maleństwo początkowo miało cenę jeśli dobrze pamiętam około 8 koła, od razu się zakochałem ale będąc sknerą postanowiłem poczekać na spadek cen. W międzyczasie rozglądałem się za czymś innym pokroju Clio Sport czy Saxo VTS. Przeczekałem pierwszą licytację - nikt nie kupił. Cena spadła do 7 tys PLN. Już miałem dzwonić a cena spadła do 6900. Postanowiłem zaatakować. Użyłem do tego niecnego celu mojego byłego kolegi z pracy a jednocześnie najlepszego kumpla i sprzętu podróżniczego od mojej siostry typu Toyota Yaris
Żeby na darmo nie tracić kilometrów umówiłem się na oględziny innej fury pod Wrocławiem.
Dnia 20.04.2013 wyruszyliśmy zostawiając żonę kolegi u teściów. Po dotarciu na miejsce okazało się, że już ktoś ogląda to cacuszko i jest zainteresowany kupnem. Podszedłem do fury i postanowiłem że za żadne skarby nie oddam jej innemu kupcowi. Moja mina wyglądała mniej więcej tak:
Miłe rozstanie - w lusterku patrzyłem jak poprzedni właściciel patrzy z rozrzewnieniem na odjeżdżające auto - scena jak z filmu. Przejechaliśmy parę kilometrów - dzwoni kolega "daj się przejechać" - czemu nie. Zamiana fur i jazda - uciekł mi skubaniec - Yaris wymiękł. Dzwonię do niego "gdzie jesteś" - stacja benzynowa jakieś 5 km dalej - szok.
Teraz kilka zdjęć spod mojego domu (bohater drugiego planu - mój wóz służbowy
W następnym tygodniu poprzedni właściciel dosłał mi zdjęcia sprzed renowacji:
W planach w tym roku mam (co nieco w międzyczasie już wdrożyłem):
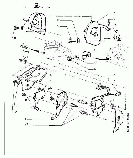
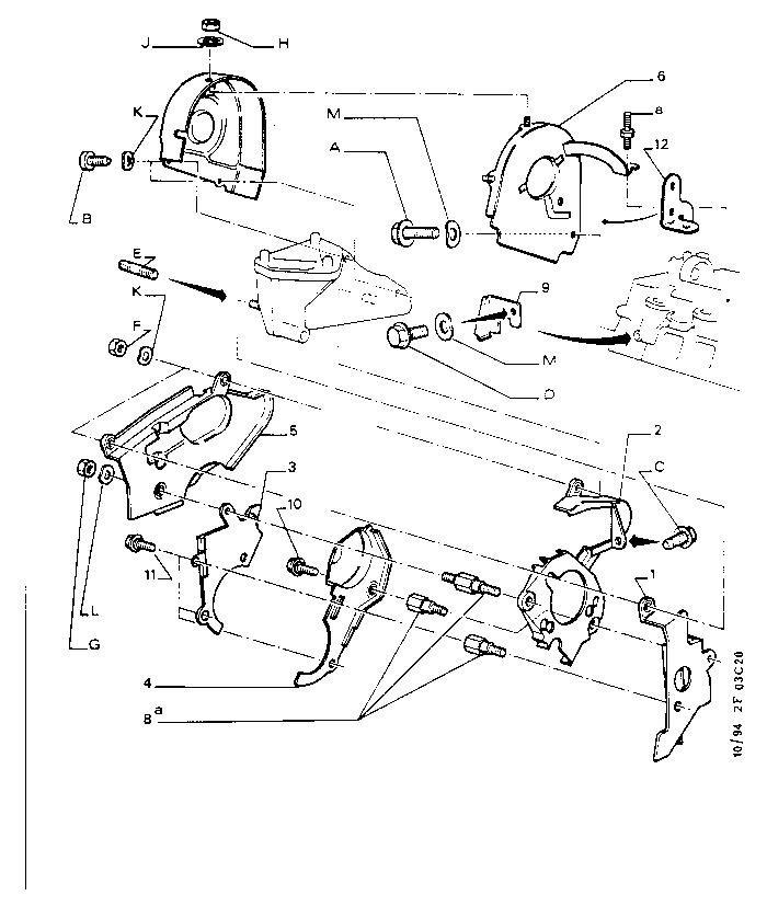
1 Wymiana rozrządu (pasek, napinacz i pompa wody już są - stare osłony paska okazały się uszkodzone - potrzebne nowe na gwałt);
2 Wydech kompletny - stary od subaru do wywałki - za głośny;
3 Uszczelnienie miski olejowej + wymiana oleju;
4 Usunięcie problemu z odpalaniem przy dłuższym postoju;
5 Skombinowanie nowej półki pod kierownicą - stara połamana - nie nadaje się do klejenia;
6 Wspomaganie kierownicy (już załatwione od saxo + pompa - brakuje podstawy pod pompę - w trakcie załatwiania od jednego z forumowiczów);
7 Oryginalna gałka zmiany biegów - rarytas - ale może się uda coś skombinować;
8 Gniazdo zapalniczki ma połamane plastiki i jak to mówił klasyk komedii polskiej - wylata;
9 Renowacja foteli skórzanych i odbudowa oryginalnych jeżeli budżet pozwoli;
10 Kosmetyka wnętrza:
Z pilnych rzeczy to na gwałt potrzebuję plastikowych osłon na pasek rozrządu a jak ktoś ma półkę pod kierownicę to obiecuję chwalić po wszystkich odpustach
Załączam zdjęcia poglądowe:
To tyle. A jeszcze gdzieś miałem zdjęcie rozrządu wołającego o pomoc.
O JEST!

