podłączenie sciemniacza podświetlenia zegarów

Forum dla spraw zwiazanych z problemami/dyskusjami na temat nadwozia, wnetrza oraz modyfikacja wewnatrz samochodu
Awatar użytkownika
Martinoo
Moderator
Posty: 4031
Rejestracja: 16 lip czw, 2009 3:55 pm
Posiadany PUG: 205 Color line Dturbo, 307 XSI HDI, 407 SW 2.0 HDI
Numer Gadu-gadu: 8330169
Lokalizacja: Gdynia
Kontakt:

podłączenie sciemniacza podświetlenia zegarów

Post autor: Martinoo »

Nie mam instalacji gotowej pod podłaczenie sciemniacza zegarów, może mi ktos powiedzieć do który kabli z jakiej kostki muszę taki sciemniacz podłączyć i w jaki sposób?
205 1.9 Dturbo -> NIE MA OGNIA BEZ DYMU !!! ;P
307 XSI 2.0 HDI ~140KM
407 SW 2.0 HDI 136KM
P.S Nie drażnij lwa!
Obrazek
Awatar użytkownika
helterskelter
Junior
Posty: 194
Rejestracja: 31 lip czw, 2008 6:02 pm
Posiadany PUG: 205 xad lux; 205 GTI export
Numer Gadu-gadu: 0
Lokalizacja: WP

Re: podłączenie sciemniacza podświetlenia zegarów

Post autor: helterskelter »

Wypinasz z brązowej kostki PC15 zielone przewody z pinów 4 i 5. Trzeba je połączyć i wpiąć w jeden z pinów na ściemniaczu. Należy dorobić przewód z drugiego pinu w ściemniaczu do 1 pinu kostki PC15. I to wszystko.
(kostka PC15 jest na desce po prawej stronie kierownicy -widoczna jak się popatrzy od dołu)

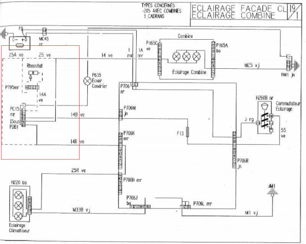
Poniżej schemat elektryczny. To co Cię interesuje zaznaczyłem w ramce. Liniami przerywanymi oznaczono przebieg przewodów w wersji ze ściemniaczem.
ściemniacz.png
Udanego montażu :Y

PS. Zaczerpnięta ze strony francuskiej planete205 fotka, na której widać kostkę PC15
pc15.png
Awatar użytkownika
czargosia
Junior
Posty: 415
Rejestracja: 26 sty ndz, 2014 10:44 pm
Posiadany PUG: 205 CTI 91-gutek, 205 Rallye 1,9 , 205 Automatic 1,9b+g 5D 89r,
Numer Gadu-gadu: 0
Lokalizacja: Olsztyn --- WARMIA I MAZURY

Re: podłączenie sciemniacza podświetlenia zegarów

Post autor: czargosia »

Witam,
Ja się podepnę do tematu odnośnie podświetlenia deski rozdzielczej. U mnie nie ma podświetlenia zegarów w liczniku. Podświetlenie włączników świateł przeciwmgielnych jest a nie ma podświtlenia okrągłych przełączników nawiewów i licznika. Miał ktoś może taką usterkę?
z góry dziękuję
Peugeot 205 CTI zielony - Jak dorosnę będę JAGUAR-em
Awatar użytkownika
Martinoo
Moderator
Posty: 4031
Rejestracja: 16 lip czw, 2009 3:55 pm
Posiadany PUG: 205 Color line Dturbo, 307 XSI HDI, 407 SW 2.0 HDI
Numer Gadu-gadu: 8330169
Lokalizacja: Gdynia
Kontakt:

Re: podłączenie sciemniacza podświetlenia zegarów

Post autor: Martinoo »

wymień żaróweczki które są wewnątrz i bedzie grało :D
205 1.9 Dturbo -> NIE MA OGNIA BEZ DYMU !!! ;P
307 XSI 2.0 HDI ~140KM
407 SW 2.0 HDI 136KM
P.S Nie drażnij lwa!
Obrazek
Awatar użytkownika
czargosia
Junior
Posty: 415
Rejestracja: 26 sty ndz, 2014 10:44 pm
Posiadany PUG: 205 CTI 91-gutek, 205 Rallye 1,9 , 205 Automatic 1,9b+g 5D 89r,
Numer Gadu-gadu: 0
Lokalizacja: Olsztyn --- WARMIA I MAZURY

Re: podłączenie sciemniacza podświetlenia zegarów

Post autor: czargosia »

dzięki za odp. Ma taki proste rozwiązanie nie wpadłem a już miałem wszystko rozłożone i mogłem to zrobić.
No nic dziękuję
pozdro
Peugeot 205 CTI zielony - Jak dorosnę będę JAGUAR-em
ODPOWIEDZ