co to jest ?

Dyskusje na temat serwisowania, naprawiania oraz modyfikowania silnikow typu TU.
Awatar użytkownika
kojot662
Junior
Posty: 279
Rejestracja: 25 gru śr, 2013 2:16 am
Posiadany PUG: 205 xs
Numer Gadu-gadu: 0
Lokalizacja: Gorlice

co to jest ?

Post autor: kojot662 »

Co to jest ? I do czego służy ? Wiem tylko tyle że jak przerwałem to nie było zapłonu :( Obrazek

tapatalk. P-8
peugeot 205 1.4 xs
Awatar użytkownika
kojot662
Junior
Posty: 279
Rejestracja: 25 gru śr, 2013 2:16 am
Posiadany PUG: 205 xs
Numer Gadu-gadu: 0
Lokalizacja: Gorlice

Re: co to jest ?

Post autor: kojot662 »

Nikt nie wie? To Może fotka z szerszej perspektywy...Obrazek

tapatalk. P-8
peugeot 205 1.4 xs
Awatar użytkownika
woocash
Peugeot 205 Master
Posty: 4588
Rejestracja: 10 lut czw, 2005 1:56 pm
Posiadany PUG: 205 ph1 1984 GR
Numer Gadu-gadu: 9752783
Lokalizacja: Katowice

Re: co to jest ?

Post autor: woocash »

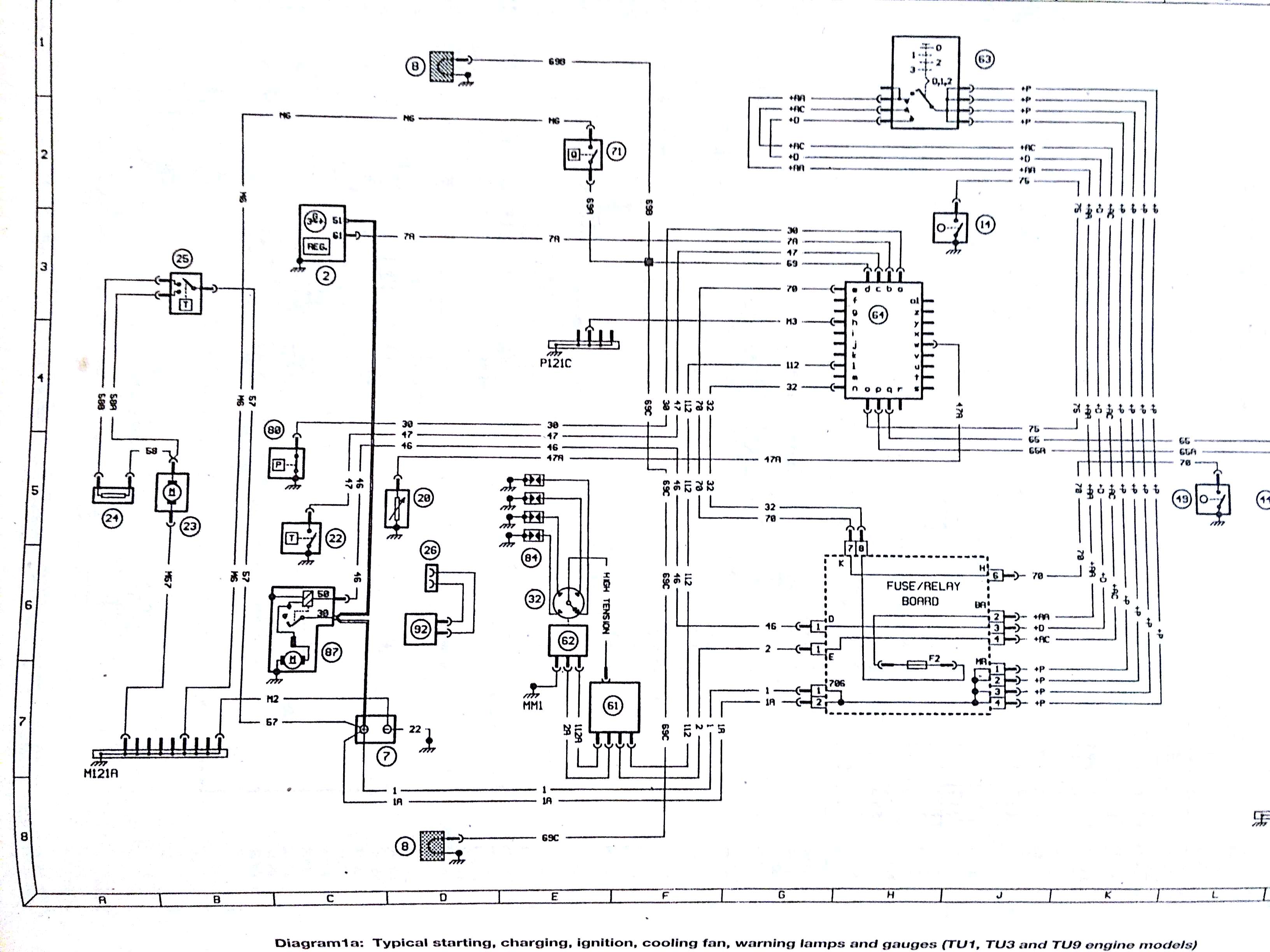
Siakiś rezystor modułu zapłonowego? Poczytałem na schemacie ale nie widzę... Mierzyłes to miernikiem?
Załączniki
Nowy Dokument 23.jpg
Ostatnio zmieniony 23 lip sob, 2016 2:22 pm przez woocash, łącznie zmieniany 1 raz.
Najaktywniejszy w dziale: Stare forum techniczne
[ Posty: 1090 / 34.03% Twoich postów ]
Awatar użytkownika
kojot662
Junior
Posty: 279
Rejestracja: 25 gru śr, 2013 2:16 am
Posiadany PUG: 205 xs
Numer Gadu-gadu: 0
Lokalizacja: Gorlice

Re: co to jest ?

Post autor: kojot662 »

Nie, nie mierzyłem. Nie było czasu. Przez nieuwagę przerwałem przewód , spoiler na krótko i chodzi... było to początkiem lipca... po jakimś czasie zaczął mi przerywać i padł mi parę dni temu moduł zapłonu. Może to ma jakiś związek ? Najwidoczniej tak... :(

tapatalk. P-8
peugeot 205 1.4 xs
Awatar użytkownika
woocash
Peugeot 205 Master
Posty: 4588
Rejestracja: 10 lut czw, 2005 1:56 pm
Posiadany PUG: 205 ph1 1984 GR
Numer Gadu-gadu: 9752783
Lokalizacja: Katowice

Re: co to jest ?

Post autor: woocash »

A może to jest ... http://www.capri.pl/forum/8497 tzn wiadomo, odpowiednik ;)
Najaktywniejszy w dziale: Stare forum techniczne
[ Posty: 1090 / 34.03% Twoich postów ]
Awatar użytkownika
gargli
Nowicjusz
Posty: 86
Rejestracja: 15 kwie pt, 2016 10:46 pm
Posiadany PUG: 205 GR 1.4
Numer Gadu-gadu: 0
Lokalizacja: Łódź

Re: co to jest ?

Post autor: gargli »

hmmm, też mam takie cóś, ale jeszcze nie będę się z tym doświadczał :D
Załączniki
co to.png
co to.png (331.42 KiB) Przejrzano 8923 razy
2mouse
Peugeot 205 Master
Posty: 2043
Rejestracja: 18 lip ndz, 2010 10:29 am
Numer Gadu-gadu: 0

Re: co to jest ?

Post autor: 2mouse »

woocash pisze:Siakiś rezystor modułu zapłonowego? Poczytałem na schemacie ale nie widzę... Mierzyłes to miernikiem?
Obstawiam, że to element oznaczony numerkiem 24.... Zresztą, jak dobrze poszukasz w dziale technicznym, to też to znajdziesz. Poza tym, o ile wiązka jest mniej więcej oryginalna, to przy elemencie na kablu powinien być numerek przewodu, po którym rozkminisz schemat. :)
Awatar użytkownika
mlody333
Uzalezniony
Posty: 946
Rejestracja: 23 cze sob, 2012 4:39 pm
Posiadany PUG: Był 205, 307 jest 106 TU1JP oraz 207 TU5JP4
Numer Gadu-gadu: 0
Lokalizacja: Kielce

Re: co to jest ?

Post autor: mlody333 »

To jest rezystor wtrysku, taki opornik. Łatwo go uszkodzić mechanicznie przy demontażu wiazki i okrutnie trudno dostać. Jeżeli jest to kosztuje kilka razy wiecej niż powinien. Dlatego mam kilka w zapasie. Pasuje też z innych aut z układem wtrysku boscha.
Awatar użytkownika
pawel
Maniak
Posty: 1120
Rejestracja: 06 lis czw, 2003 11:16 pm
Posiadany PUG: 1.9 GTI
Lokalizacja: Włocławek

Re: co to jest ?

Post autor: pawel »

mlody333 pisze:To jest rezystor wtrysku, taki opornik. Łatwo go uszkodzić mechanicznie przy demontażu wiazki i okrutnie trudno dostać. Jeżeli jest to kosztuje kilka razy wiecej niż powinien. Dlatego mam kilka w zapasie. Pasuje też z innych aut z układem wtrysku boscha.
Dokładnie to rezystor kompensacyjny wtryskiwacza.
P205
ODPOWIEDZ